When balloted for our BTO, we got a really good queue number - 90+ out of a 2000+ unit development!
So, we had ALOT of units to choose from when it came to our turn.
I guess you can say we decided on our unit by elimination and we're here to share our thought process!
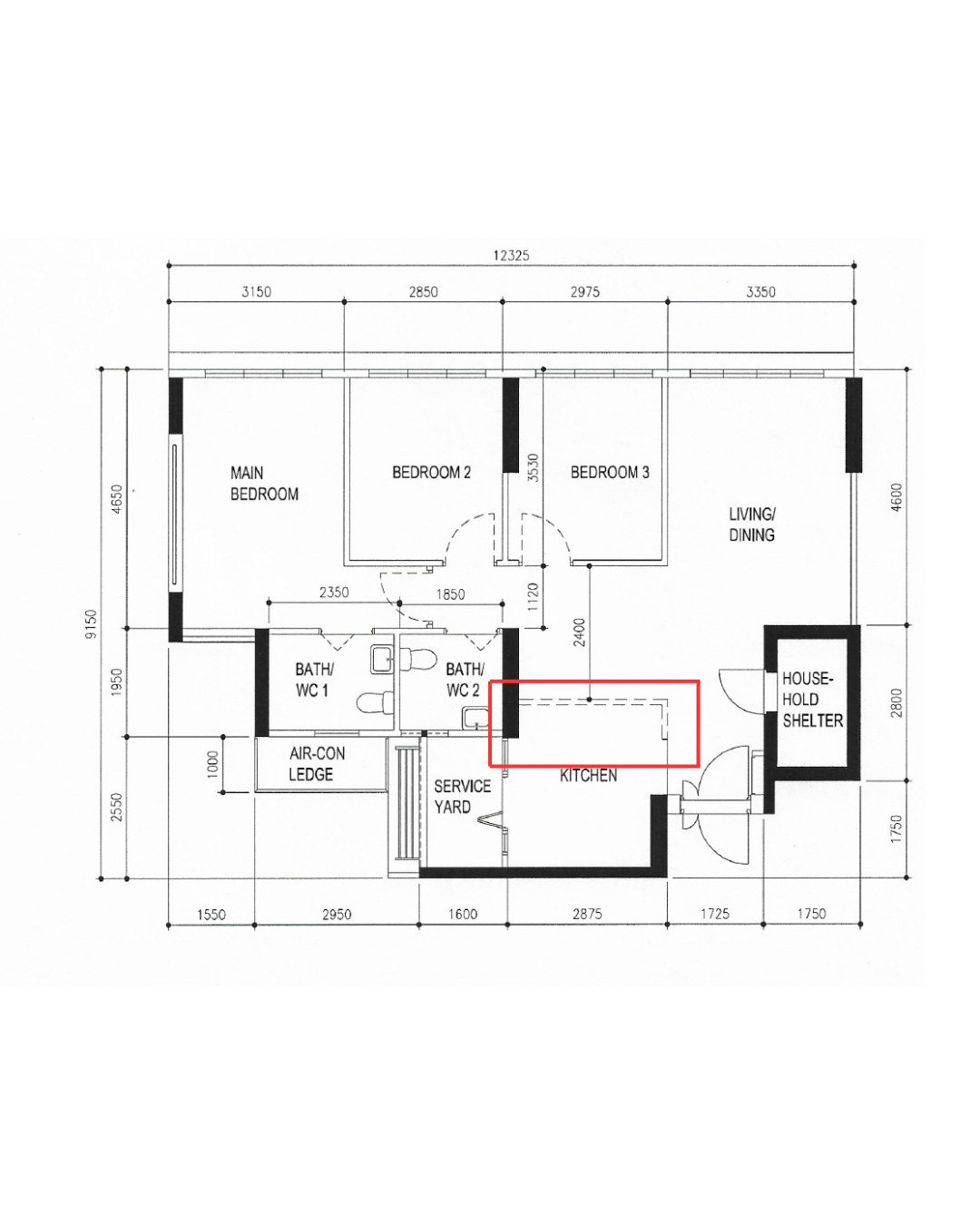
Firstly, we knew we wanted an open kitchen.
Based on the HDB floorplan, we could see the units that come without a wall for the kitchen. This is indicated by the dotted lines.
This means cost savings as we wouldn't need to hack away the wall!
This greatly narrowed down our block choices as not all blocks have this open-kitchen layout.
To choose our block in this huge development, we prioritised the view. We would prefer not to look out our windows only to see right into our neighbours' living rooms. Haha.
We checked the URA Master Plan to find out the land use plan for our area over the next 10 to 15 years.
In the end, we chose a block facing a site reserved for a park so we would have unblocked views. The picture shown here is the view from our window when said park wasn't developed yet!
Other considerations were:
1. The floor. We wanted a high floor so as to get a great view.
2. We didn't feel the need for a balcony, so we took a unit without one.